柜式七氟丙烷灭火装置又称预制式灭火装置、无管网灭火装置,是指由灭火剂瓶组容器、柜体、信号反馈装置、电磁型驱动装置、灭火剂输送管、喷嘴、先导阀(适用于双瓶组柜式)、气管部件(适用于双瓶组柜式)等组成的能自动实施灭火的装置。灭火装置分两种结构形式:双瓶组柜式七氟丙烷气体灭火装置和单瓶组柜式七氟丙烷气体灭火装置。

柜式七氟丙烷灭火装置工作原理:
柜式七氟丙烷灭火系统由气体灭火剂瓶组、管路、喷嘴、信号反馈部件、火灾探测器和控制器、紧急启动/停止按钮、声光报警器、放气指示灯等组成,实现对防护区自动探测、报警、灭火保护功能。柜式七氟丙烷灭火装置一般安装于保护区内,必要时,用地脚螺栓固定。火灾探测器、控制器按设计要求安装到位。当一个保护区采用多台灭火装置时,灭火装置应分布均匀,并应做到同时启动喷放。
柜式七氟丙烷灭火装置安装完毕后,在自动启动状态下,当保护区发生火灾,感温、感烟探测器等火灾探测器将火警信号输送到控制器,控制器输出信号完成相关设备联动,并发出声光报警,在延时10-30秒后(由控制器根据需要调整),给出启动信号,发出灭火指令,启动电磁型阀驱动器,开启容器阀,释放灭火剂,实施灭火。
柜式七氟丙烷灭火装置的工作原理图:
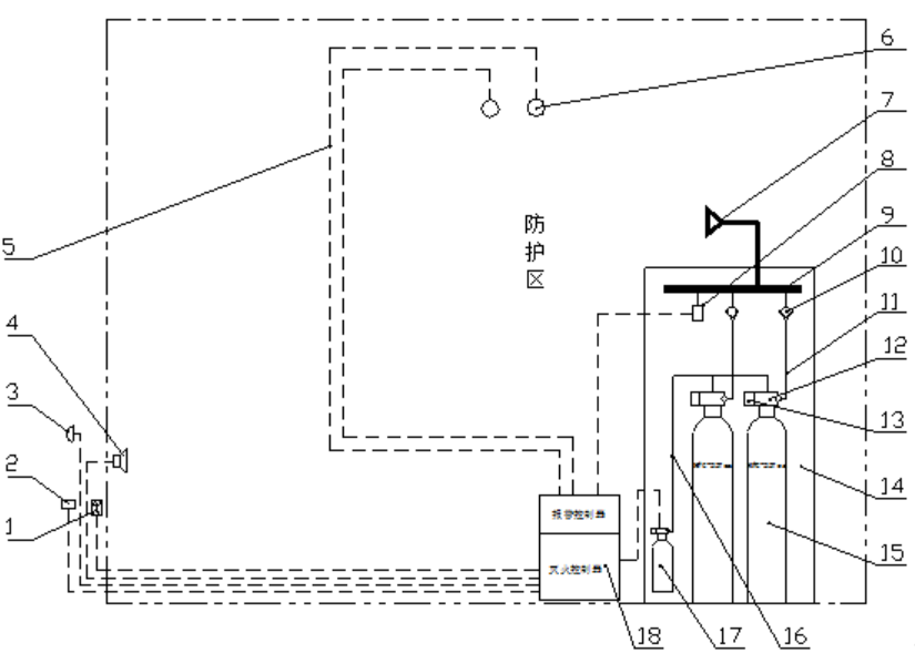
| 1.紧急启停按钮 | 2.放气指示灯 | 3.光报警器 | 4.声报警器 |
| 5电气控制线路 | 6.火灾探测器 | 7.喷嘴 | 8.信号反馈装置 |
| 9.集流管 | 10.灭火剂管路单向阀 | 11.压力软管 | 12.灭火剂容器阀 |
| 13.机械应急启动把手 | 14.柜体 | 15.灭火剂储存容器 | 16.启动管路 |
| 17.启动装置 | 18.报警灭火控制器 |
以上是整套柜式七氟丙烷气体灭火装置安装的原理图,1-18序号中的设备都是整套柜式七氟丙烷气体灭火装置必不可少的装置。
柜式七氟丙烷灭火装置放置于防护区内部,烟感探测器、温感探测器根据防护区需要均匀布置于内部,气体灭火控制器可根据实际情况设置在防护区内部或外部,放气指示灯、声光报警器、警铃、紧急启动停止按钮安装在防护区外。
柜式七氟丙烷灭火装置由以下部件组成:
1、外层铁柜
由硬质及角铁组装而成,表面涂有保护质,起到保护及装饰系统、防尘防碰撞的作用。
2、储存装置(钢瓶)
储存装置用于贮存七氟丙烷灭火剂,具有封存、释放、充装、超压泄放、压力显示等功能。主要由容器阀、虹吸管、贮存容器组成,为可重复充装的红色环氧漆钢质焊接容器。
3、容器阀及驱动装置
由阀体、电磁铁、安全挡片、出口接头、压力显示部件、泄压装置等组成,接上虹吸管后安装在贮存容器瓶口上,由电磁铁电动开启容器阀释放灭火剂。
4、压力表
压力表通过表内的敏感元件(波登管、膜盒、波纹管)的弹性形变,再由表内机芯的转换机构将压力形变传导至指针,引起指针转动来显示压力。
5、信号反馈装置
由阀体、胶圈、活塞、开关座、微型开关、阀盖、信号引线等组成。外壳及活塞的材质为铜合金。安装于连接管的压力开关座上,用于灭火剂释放后将信号反馈至灭火控制器,再由灭火控制器点亮喷放门灯及发出联动信号。
6、高压软管
用于容器阀喷嘴之间,输送从贮存装置释放出来的灭火剂,在喷放灭火剂时起流通、缓冲的作用。
7、喷嘴
能将七氟丙烷灭火剂充分雾化均匀喷洒,装饰盖用于装饰柜上。安装于灭火系统连接管的末端,用于按设计要求均匀的雾化喷洒灭火剂,其规格根据按喷放时间计算孔口面积结果选定。




客服